Panel IPAL: Harga & Fitur Terbaik

N.Austinpetsalive 66 views
Panel IPAL: Harga & Fitur Terbaik

Panel IPAL: Harga & Fitur Terbaik

Hey guys! Pernah kepikiran nggak sih, gimana caranya ngolah limbah cair biar nggak nyusahin lingkungan? Nah, salah satu solusinya yang lagi hits banget itu pakai IPAL (Instalasi Pengolahan Air Limbah) . Dan di dalam IPAL itu, ada komponen penting yang namanya panel IPAL. Tapi, pas mau pasang atau upgrade, yang bikin penasaran pasti: harga panel IPAL itu berapa sih? Jangan khawatir, di artikel ini kita bakal bedah tuntas semua yang perlu kalian tahu soal panel IPAL, mulai dari fungsinya, jenis-jenisnya, sampai soal harga yang bikin dompet nggak menjerit. Siap-siap dapat pencerahan, ya!

Mengapa Panel IPAL Sangat Penting?

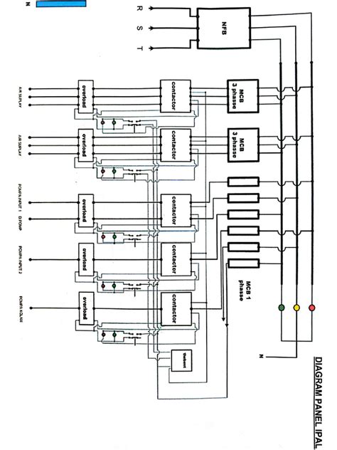
Oke, jadi gini guys, panel IPAL itu ibarat otaknya sistem pengolahan air limbah. Tanpa panel ini, proses pengolahan bisa jadi kacau balau, nggak efektif, bahkan bisa merusak seluruh sistem. Kenapa sih kok sepenting itu? Gampangnya, panel IPAL ini bertugas untuk mengendalikan, memantau, dan memastikan semua proses pengolahan air limbah berjalan sesuai prosedur. Bayangin aja, air limbah itu kan isinya macem-macem, ada yang dari industri, ada yang dari rumah tangga, semuanya punya karakteristik dan tingkat pencemaran yang beda-beda. Nah, panel IPAL ini yang bertugas mengatur gimana cara terbaik buat ngatasin semua jenis limbah itu. Dia yang ngasih perintah ke pompa kapan harus nyala, kapan harus mati, ngatur aliran udara buat aerasi, sampai ngontrol level air di setiap tahapan pengolahan. Intinya, panel IPAL adalah pusat komando yang memastikan air limbah diolah dengan benar, aman, dan sesuai standar baku mutu lingkungan. Makanya, memilih panel IPAL yang tepat itu krusial banget. Salah pilih bisa berabe, guys. Mulai dari performa yang jelek, umur alat yang pendek, sampai biaya operasional yang membengkak. Jadi, sebelum ngomongin harga, penting banget buat kita paham dulu kenapa sih komponen kecil ini punya peran segede gaban?

Selain itu, panel IPAL juga berperan penting dalam aspek keselamatan. Dengan sistem kontrol yang baik, potensi kebocoran atau malfungsi yang bisa membahayakan operator atau lingkungan bisa diminimalkan. Pernah dengar kasus pencemaran sungai gara-gara IPAL jebol? Nah, dengan panel IPAL yang andal, risiko kayak gitu bisa ditekan jauh. Makanya, investasi di panel IPAL yang berkualitas itu bukan sekadar pengeluaran, tapi lebih ke investasi jangka panjang buat kelestarian lingkungan dan reputasi perusahaan atau fasilitas kalian. Jadi, kalau ada yang nanya lagi, ‘Panel IPAL itu buat apa sih?’, jawab aja, ‘Dia itu penjaga gerbang lingkungan dari ancaman air limbah, guys!’ Keren, kan? Pemilihan material panel juga penting lho, harus tahan korosi karena berurusan sama air limbah. Ada yang terbuat dari stainless steel, ada yang dari plastik khusus, tergantung kebutuhan dan budget. Semakin canggih fitur yang ditawarkan, biasanya harganya juga akan mengikuti. Tapi tenang, sekarang banyak kok produsen yang nawarin solusi panel IPAL yang bisa disesuaikan sama kantong kalian.

Jenis-jenis Panel IPAL dan Pengaruhnya pada Harga

Oke, guys, sekarang kita masuk ke bagian yang paling bikin penasaran: harga panel IPAL . Tapi sebelum ngomongin angka, kita perlu tahu dulu nih, ada jenis-jenis panel IPAL apa aja, karena ini bakal ngaruh banget sama harganya. Jadi, gini, pada dasarnya panel IPAL bisa dikategorikan berdasarkan tingkat kecanggihannya. Yang pertama itu ada yang paling basic, biasanya disebut panel kontrol manual . Ini kayak jaman dulu gitu, guys, operasinya masih banyak pakai tangan dan saklar-saklar fisik. Kelebihannya sih harganya paling ramah di kantong, cocok buat IPAL skala kecil atau yang kebutuhannya nggak terlalu kompleks. Tapi ya gitu, pengoperasiannya butuh tenaga ekstra dan nggak bisa dipantau dari jauh. Terus, naik level dikit, ada panel kontrol semi-otomatis . Nah, ini udah ada beberapa fitur otomatisnya, misalnya pompa bisa nyala mati sendiri berdasarkan level air. Ini udah lebih praktis dan efisien dibanding yang manual, jadi harganya juga sedikit lebih tinggi.

Yang paling canggih dan jadi primadona sekarang itu adalah panel kontrol otomatis atau PLC (Programmable Logic Controller) . Wih, denger namanya aja udah keren kan? Panel jenis ini menggunakan sistem komputerisasi buat ngatur seluruh proses. Jadi, semua parameter pengolahan kayak aliran udara, level air, pH, DO (Dissolved Oxygen), dan lain-lain itu bisa dipantau dan dikontrol secara presisi lewat layar sentuh atau bahkan bisa diakses dari smartphone kalian. Keren abis, kan? Nah, otomatisasi tingkat tinggi ini tentu punya konsekuensi di harga. Harga panel IPAL jenis PLC ini jelas paling mahal di antara yang lain. Tapi, guys, jangan lihat dari harganya doang. Bayangin efisiensi operasionalnya, akurasi pengolahannya yang super tinggi, minimnya human error, dan kemudahan monitoringnya. Kalau dihitung-hitung jangka panjang, investasi di panel PLC ini bisa jadi lebih hemat lho. Selain itu, ada juga perbedaan dari segi material dan komponen yang dipakai. Panel yang pakai komponen berkualitas tinggi dari merek ternama, materialnya tahan banting, dan desainnya ergonomis tentu harganya bakal beda sama yang standar. Jadi, kalau mau cari tahu soal harga panel IPAL , penting banget buat tentuin dulu kebutuhan kalian itu seberapa kompleks, mau pakai sistem yang mana, dan spesifikasi apa aja yang dibutuhin. Jangan sampai salah pilih dan malah jadi buang-buang uang, ya!

Faktor-faktor yang Mempengaruhi Harga Panel IPAL

So, guys, kita sudah bahas jenis-jenis panel IPAL. Nah, sekarang kita mau ngulik lebih dalam lagi soal harga panel IPAL . Kenapa sih harganya bisa beda-beda banget? Ternyata ada banyak faktor yang bermain di sini, lho. Yang pertama dan paling jelas itu adalah tingkat kecanggihan dan otomatisasi sistem . Seperti yang udah kita bahas tadi, panel kontrol manual pasti lebih murah daripada panel semi-otomatis, apalagi panel PLC yang super canggih. Semakin banyak fitur otomatis, sensor, dan kemampuan monitoring jarak jauh yang ditawarkan, semakin tinggi pula harganya. Ini wajar sih, guys, karena teknologi yang dipakai juga makin kompleks.

Faktor kedua yang nggak kalah penting adalah merek atau brand dari panel tersebut . Sama kayak gadget atau kendaraan, merek yang udah punya reputasi bagus dan terpercaya biasanya punya harga yang lebih tinggi. Ini karena mereka biasanya menjamin kualitas komponen, keandalan sistem, dan layanan purna jual yang oke. Kalau kalian pakai merek yang kurang terkenal, mungkin harganya lebih miring, tapi ya resikonya harus siap juga kalau-kalau ada masalah. Ukuran dan kapasitas panel juga jadi penentu harga. Panel untuk IPAL skala industri yang besar tentu butuh komponen yang lebih kuat dan sistem yang lebih kompleks, jadi harganya otomatis lebih mahal daripada panel untuk IPAL rumah tangga. Jangan lupa juga soal material yang digunakan . Panel yang terbuat dari bahan berkualitas tinggi, tahan korosi, dan awet kayak stainless steel premium atau material komposit canggih tentu harganya lebih mahal daripada panel yang pakai bahan standar. Terakhir, ada faktor kompleksitas instalasi dan kustomisasi . Kalau kalian butuh panel yang didesain khusus sesuai kebutuhan unik IPAL kalian, alias custom-made , biayanya pasti bakal lebih tinggi daripada panel yang sudah jadi (ready-stock). Pengaruh layanan purna jual, garansi, dan support teknis juga nggak bisa diabaikan. Panel yang datang dengan garansi panjang dan dukungan teknis yang responsif biasanya harganya sedikit lebih premium, tapi ini penting banget buat ketenangan pikiran kalian. Jadi, sebelum memutuskan, coba bandingin beberapa penawaran dari produsen yang berbeda, perhatikan spesifikasi detailnya, dan pertimbangkan faktor-faktor ini biar kalian dapat panel IPAL yang worth it banget sesuai budget dan kebutuhan kalian, guys!

Tips Memilih Panel IPAL Sesuai Anggaran

Nah, guys, setelah ngulik soal harga dan faktor-faktor yang mempengaruhinya, sekarang saatnya kita bahas gimana sih cara milih panel IPAL yang pas di kantong tapi tetap berkualitas. Penting banget nih biar nggak salah langkah! Tips pertama yang paling ampuh adalah tentukan dulu kebutuhan spesifik IPAL kalian . Jangan cuma asal lihat panel yang paling canggih atau paling murah. Coba analisis, air limbah kalian jenisnya apa? Seberapa besar kapasitas pengolahannya? Parameter apa aja yang paling penting untuk dipantau dan dikontrol? Kalau IPAL-nya cuma skala kecil buat rumah tangga atau ruko, mungkin panel kontrol semi-otomatis sudah cukup. Tapi kalau buat industri besar dengan limbah yang kompleks, ya mau nggak mau harus lirik panel PLC yang lebih canggih. Dengan tahu kebutuhan pasti, kalian bisa fokus cari panel yang fiturnya sesuai, nggak bayar lebih buat fitur yang nggak terpakai.

Tips kedua, bandingkan penawaran dari beberapa vendor atau produsen terpercaya . Jangan terpaku sama satu toko atau satu merek aja. Coba minta penawaran harga dari 3-5 vendor yang berbeda. Perhatiin detail spesifikasi, merek komponen yang dipakai, materialnya, garansinya, sampai biaya instalasi dan support teknisnya. Kadang, ada vendor yang menawarkan harga lebih murah tapi dengan kualitas komponen yang sedikit di bawah, atau sebaliknya. Jadikan perbandingan ini sebagai dasar negosiasi atau untuk menentukan mana yang paling value for money . Ketiga, jangan ragu buat konsultasi dengan ahlinya . Kalau kalian masih bingung atau awam soal teknis panel IPAL, jangan malu buat nanya ke konsultan lingkungan atau teknisi yang berpengalaman. Mereka bisa kasih rekomendasi panel yang paling cocok buat kondisi kalian, bahkan bisa bantu ngasih estimasi harga panel IPAL yang realistis. Keempat, pertimbangkan biaya operasional jangka panjang . Panel yang harganya murah di awal, tapi boros listrik atau gampang rusak, ujung-ujungnya bisa lebih mahal di kemudian hari. Sebaliknya, panel yang sedikit lebih mahal di muka tapi hemat energi dan awet, bisa jadi pilihan yang lebih bijak. Terakhir, manfaatkan promo atau diskon kalau ada. Kadang, produsen atau distributor ngadain promo khusus, nah ini bisa jadi kesempatan buat dapetin panel IPAL berkualitas dengan harga yang lebih bersahabat. Ingat ya, guys, memilih panel IPAL itu investasi. Cari yang pas di hati, pas di kantong, dan pastinya bagus buat lingkungan! Good luck!